Answer:
This depends on where in the property the EnergyHub's functions are to be utilized. The EnergyHub has phase balancing and inverter functions. The phase balancing function can balance the outgoing power from both a main panel (connected to the grid) or a subpanel (where, for example, electric vehicles are connected). Generally, phase balancing always occurs against the part of the house's electrical installation where the current transformers are connected.
For the inverter function, the placement matters less; only the fuses and wiring need to handle the current.
The placement of the EnergyHub can be divided into 3 use cases.
Use Case 1)
The most common scenario that applies to most installations is that the EnergyHub and current transformers are connected to the property's main panel. In this case, the EnergyHub will balance the phases against the incoming power from the grid in the house and ensure that the main fuses do not trip.

Use Case 2)
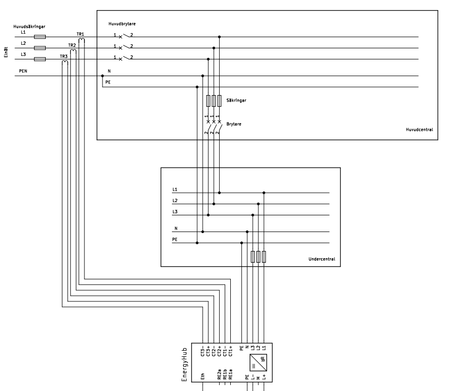
This use case applies when you want the EnergyHub to balance the outgoing power at a subpanel, for example, to protect a cable between the subpanel and the main panel. In this case, the EnergyHub will balance the phases against the main panel and ensure that the fuses in the main panel protecting the subpanel do not trip. It is important to note that the neutral conductor between the EnergyHub and the subpanel must handle 1.7 times the maximum phase balancing current.

Use Case 3)
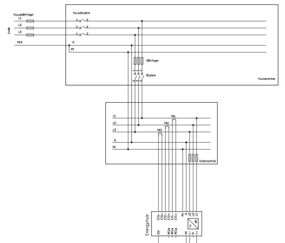
The final use case is if you want to place the EnergyHub in a subpanel but have the current transformers at the main panel. In this case, phase balancing will occur against the incoming power to the property, but all power is fed out in the subpanel. This could be due to space constraints or necessity. In this scenario, the neutral conductor must handle 1.7 times the current from the EnergyHub all the way to the main panel.

We constantly want to improve the content in the Knowledge Database and would appreciate it if you give feedback on our articles. Does all the information exist, is there anything that needs to be clarified or is there any information that is missing that would help installing or using the EnergyHub system in general? You can give us feedback by choosing if the article was helpful or not in the options below.
If you need to get in contact with Ferroamp's Technical Support or if you have any questions about the system, you can do so by creating a ticket here.

Was this article helpful?
That’s Great!
Thank you for your feedback
Sorry! We couldn't be helpful
Thank you for your feedback
Feedback sent
We appreciate your effort and will try to fix the article

